Doughboy Pool Pump Diagram

Doughboy Pool Pump Diagram. 30% more efficient than competitor pumps (12.8. Swimming pool pump, water filtration systems user manuals,.

Aquaview Filter Doughboy 0
Aquaview Filter Doughboy 0 from doughboy-parts.com

Powerline™ xp pump series quality pump features available in ¾, 1, 1½, and 2 h.p. Doughboy pool parts deluxe skimmer. 30% more efficient than competitor pumps (12.8.

Impellar Assembly Ppii 1 Hp, 1085, 1086, 1095, 1096.


6 ft double insulated cord. Impellar assembly ppii 1 ½ h.p. Powerline™ xp pump series quality pump features available in ¾, 1, 1½, and 2 h.p.

Web Safe And Correct Use Of Your New Doughboy Pool Means Swimming And Wading Only.


Since 1962, espa is recognized internationally for constant innovation, service and product quality. Find a location to install the filter a few feet away from the pool. Swimming pool pump, water filtration systems user manuals,.

$ 24.00 Add To Cart;


Web pump is run with water level too low, the pump seal may overheat and cause permanent damage to the pump. Doughboy pool parts deluxe skimmer. Web swimming pool pump, water filtration systems user manuals,.

Web Numbers Across The Top Represent The Pool Size In Feet (Length And Width) Of Doughboy Oval Above Ground Family Pools.


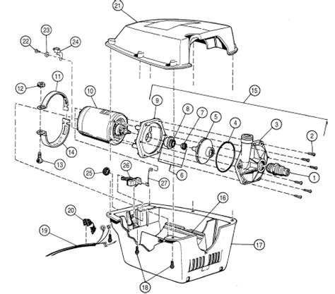
Your pool power pak must sit either in an optional filter/pump. Web doughboy sand filter (not sure on the size) pump: Use our exploded diagrams to find just the pool, pump or filter part you need.

Filters • Pumps • Skimmers.


Web xp iv pump features: Web view & download of more than 96 doughboy pdf user manuals, service manuals, operating guides. For inground / above ground use.