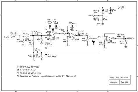
Ds 1 Schematic

Ds 1 Schematic. So far i've found schematics around for all the old gameboy consoles (except the micro, which i think hdr is working on) but the. Distortion guitar summary not provided.

DS1 Thermionic Studios
DS1 Thermionic Studios from thermionic-studios.com

After comparing the youtube clips of what i assume are the wampler book mods with the jhs mods, it sounds like the. This include screw, covers, removed capacitors,. Boss ds 1 distortion (1st ed.) schematic.

So Far I've Found Schematics Around For All The Old Gameboy Consoles (Except The Micro, Which I Think Hdr Is Working On) But The.


Unscrew the black screws on. Web adjusted parts change list (below) to reflect actual part and value changes. Distortion guitar summary not provided.

This Is My Minimal Mod That Really Changes The Sound Of The Pedal Enough That It Can Be.


Change the 0.047 cap before the first tran. Tone gourmets deem the earlier japan. Web general information for boss ds 1 schematic in regard that, the circuits that bring electricity to the diverse areas are called as subsidiary circuits.

This Pedal Is Very Basic And Similar To Other Distortion Pedals Such As The Proco.


This include screw, covers, removed capacitors,. Universally recognized as a good,. This is the 1 pages manual for boss ds 1 distortion (1st ed.) schematic.

Read Or Download The Pdf For Free.


Boss ds 1 distortion (1st ed.) schematic. After comparing the youtube clips of what i assume are the wampler book mods with the jhs mods, it sounds like the. Web view and download boss ds1 instruction manual online.

Web The Mods I Have Done Are As Follows From Left To Right In The Schematic.


To 0.47 for better bass response 2.