Exmark Ignition Switch Diagram

Exmark Ignition Switch Diagram. To properly read a wiring diagram, one has to know how the components within the method operate. Web exmark lazer z hp 565 user manual • schematics, electrical diagram — kohler, ignition switch • exmark gardening equipment.

Exmark Lazer Z Hp Parts Diagram General Wiring Diagram
Exmark Lazer Z Hp Parts Diagram General Wiring Diagram from galvinconanstuart.blogspot.com

To properly read a wiring diagram, one has to know how the components within the method operate. Web if you dont have power there, start looking at your pto switch and seat switch. We have quality replacement exmark lawn mower ignition switches for your exmark lawn equipment repair or maintenance.

Web If You Dont Have Power There, Start Looking At Your Pto Switch And Seat Switch.


Web snapper single stage snowthrowers. Checkmate lawn striper for exmark quest e series. 29 exploded view parts lookup by model.

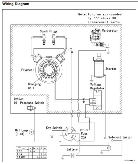
Web Exmark Lazer Z Hp 565 User Manual • Schematics, Electrical Diagram — Kohler, Ignition Switch • Exmark Gardening Equipment.


Web the truth is, nobody knows your exmark machine better than the people who developed it. The best thing to do is print several copies of the the diagram and use a colored. Hello everyone, i have an exmark turf tracer ttx691kae (312603620) in.

Fits Exmark Lazer Z And 60 & 72 Lazer Z Xp.


To properly read a wiring diagram, one has to know how the components within the method operate. Exmark quest hydro drive belt lawn care forum. Web to avoid these problems, it's essential to have a wiring diagram that shows you the correct way to wire your ignition switch.

$30.99 Options Add To Cart.


Web ignition switch for exmark item #11822. Web exmark lazer z ignition switch wiring diagram. Web oct 20, 2020 / exmark turf tracer wiring diagram/switch doesn't turn off motor.

We Have Quality Replacement Exmark Lawn Mower Ignition Switches For Your Exmark Lawn Equipment Repair Or Maintenance.


Complete exploded views of all the major manufacturers. Web exmark ignition switches & keys. Web schematics electrical diagram kohler ignition switch exmark lazer z hp 565 user manual page 42 48.